Avis clients

Note générale : 4.5/5
  • 1
  • 2
  • 3
  • 4
  • 5
Donner votre avis
Lire les avis

Suivez-nous sur

CONSEIL AVANT COMMANDE :

Assurez-vous que la pièce ajoutée dans votre panier est bien compatible avec votre appareil électroménager. Pour cela il est nécessaire de retrouver la référence exacte de votre appareil qui se trouve généralement sur la plaque signalétique située sous l'appareil (ou gravée sur votre appareil). Si vous avez un doute, n'hésitez pas à inscrire un message pour le préparateur de la commande.
Si vous ne la retrouvez pas ou pour toutes questions, contactez-nous.

Carte électronique pour centrale vapeur Domena Duo Box 180

64,70 € TTC
Moins Plus
PIÈCE SUR COMMANDE
  • Livraison sous 8 à 10 jours

Carte électronique

pour centrale vapeur Domena Duo Box 180

 

 

 

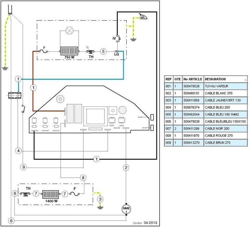
ATTENTION, Domena a remplacé la platine par un nouveau modèle, avant de commander, assurez vous d'avoir les compétences nécessaires en électricité. Voir câblage.



Caractéristiques de la carte électronique Domena :
Désignation : platine ou carte électronique ou circuit imprimé
Marque : Domena
Référence : 500479366
Appareils : centrale vapeur Domena Duo Box 180
Description : La carte électronique est en quelque sorte le cerveau de la centrale vapeur. Il s'agit d'un circuit imprimé avec des composants électroniques montés dessus.


 


Toutes les pièces détachées et accessoires Domena en vente sur miss-pieces.com sont d'origine de la marque, vous garantissant la sécurité et la fiabilité de vos appareils selon les normes de la marque Domena. 

 

Sur cette page vous pouvez commander la carte électronique pour centrale vapeur Domena Duo Box 180

 

En tant que centre service agréé (CSA), notre établissement peut se procurer toutes les pièces détachées et accessoires des appareils Domena.

 

Si vous ne trouvez pas la pièce détachée recherchée ou pour toutes questions, contactez nous

Questions & réponses

Poser une question