Avis clients
|
Note générale : 4.5/5
|
|
| Donner votre avis | |
| Lire les avis | |
CONSEIL AVANT COMMANDE :
Assurez-vous que la pièce ajoutée dans votre panier est bien compatible avec votre appareil électroménager. Pour cela il est nécessaire de retrouver la référence exacte de votre appareil qui se trouve généralement sur la plaque signalétique située sous l'appareil (ou gravée sur votre appareil). Si vous avez un doute, n'hésitez pas à inscrire un message pour le préparateur de la commande.
Si vous ne la retrouvez pas ou pour toutes questions, contactez-nous.
Article épuisé
Caractéristiques de la carte électronique :
Désignation : Carte électronique
Marque : Rowenta
Référence : MISRT3976-01
Appareils : aspirateurs Rowenta Silence Force Extreme : RO582011/410, RO582011/411, RO582111/410, RO582111/411, RO582211/410, RO582211/411, RO582311/410, RO582311/411, RO582511/410, RO582511/411, RO583211/410, RO583311/410, RO591111/410, RO5911DA/410, RO591311/410, RO5913DA/410, RO5913EA/410, RO592111/410, RO5921DA/410, RO5921R1/410, RO592311/410, RO5923EA/410, RO592511/410, RO5927EA/410, RO593111/410, RO593311/410, RO5933EA/410, RO5933EB/410, RO5945EA/410, RO5945EB/410, RO594811/410, RO5951DA/410, RO5951EA/410, RO5951OA/410, RO5955EA/410.
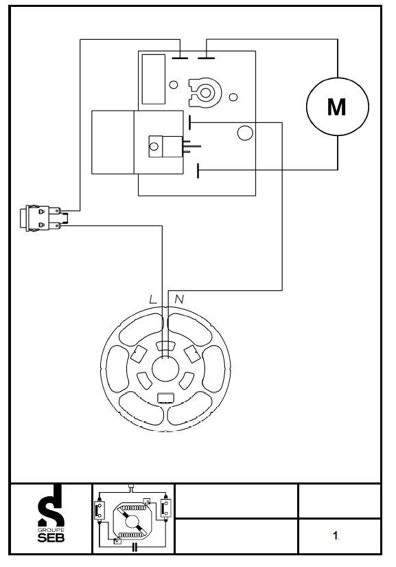
Description : La carte électronique est aussi appelée circuit imprimé ou platine. Cette carte électronique est en quelque sorte le cerveau de votre aspirateur Rowenta Silence Force Extreme. La nouvelle carte électronique a une implentation différente, veuillez suivre les schéma si-dessous pour le recablage. Fiche 1 pour l'ancien cablage et fiche 2 pour le nouveau.

Toutes les pièces détachées et accessoires Rowenta en vente sur miss-pieces.com sont d'origine de la marque, vous garantissant la sécurité et la fiabilité de vos appareils selon les normes de la marque Rowenta.
Sur cette page vous pouvez commander la carte électronique rs-rt3976 pour aspirateur Rowenta Silence Force Extreme.
En tant que centre service agréé, notre établissement peut se procurer toutes les pièces détachées et accessoires des aspirateurs Rowenta.
Si vous ne trouvez pas la pièce détachée recherchée ou pour toutes questions, contactez nous
|
THIERRY Produit conforme aux attentes et facile à installer |
|
Tristan Livraison rapide, prix bas et matériel opérationnel. Au top. |
|
Anna envoi rapide et soigné |